Magnetic auxiliary contact pressure gauge
YXC-100 and YXC-103 magnetic auxiliary contact pressure gauges (Shanghai automation instrument four factory) - Baiyun brand Magnetic auxiliary contact pressure gauges are widely used in measuring the pressure of all kinds of fluid media without explosAfter sales service: from the industry instrument to provide delivery, and provide after-sales service.

YXC-100 and YXC-103 magnetic auxiliary contact pressure gauges (Shanghai automation instrument four factory) - Baiyun brand
In order to adapt to the different needs of the object to be measured and the instrument based on the original series, common type and special type, they have developed a vibration resistant, corrosion resistant, corrosion resistant type anti vibration isolation device and with other types of more than 10 types of products.
In view of this series of instrument not only has the characteristics of novel structure, reliable equipment, complete specifications, good stability and strong adaptability, but also has the advantages of simple installation, measurement and control, and, less maintenance. Therefore, it is generally no indication, no switch adjustment and no set pressure controller of the device There is nothing comparable to this. Pressure measuring instrument.
◆Scale range, accuracy grade and joint thread size
|
type
|
Model
|
Name (including whole or short)
|
標度范圍
MPa |
Accuracy class
|
Joint thread size
|
||
|
Instructions
|
Setting value
|
||||||
|
接通
|
斷開
|
||||||
|
Ordinary type
|
YXC-100
|
Magnetic auxiliary contact pressure gauge
|
0~0.6至60及-0.1~0.06至2.4系列
|
1.6
|
1.6
|
4
|
M20×1.5
(*G3/8″)
(*G1/2″)
|
|
*YXC-102
|
|||||||
|
YXC-103
|
|||||||
|
YXC-150
|
0~0.1至60及-0.1~0至2.4系列
|
||||||
|
*YXC-153
|
|||||||
|
Special type
|
YXCA-150
|
Magnetic auxiliary contact ammonia pressure gauge
|
0~0.16至60及-0.1~0.06至2.4系列
|
2.5
|
2.5
|
4
|
|
|
Vibration resistant type
|
YXC-100-Z
|
Magnetic auxiliary contact pressure gauge
|
0~0.6至60及-0.1~0.5至2.4系列
|
1.6
|
1.6
|
5
|
|
|
*YXC-102-Z
|
|||||||
|
YXC-103-Z
|
|||||||
|
Corrosion-resistant type
|
*YXC-100B-F
|
0~0.16至60及-0.1~0.06至2.4系列
|
1.6
|
1.6
|
4
|
||
|
*YXC-102B-F
|
|||||||
|
*YXC-103B-F
|
|||||||
|
*YXC-150B-F
|
|||||||
|
*YXC-152B-F
|
|||||||
|
Corrosion resistant and vibration resistant type
|
*YXC-100B-FZ
|
0~0.6至60及-0.1~0.5至2.4系列
|
1.6
|
1.6
|
5
|
||
|
*YXC-102B-FZ
|
|||||||
|
*YXC-152B-FZ
|
|||||||
|
*YXC-153B-FZ
|
|||||||
|
Isolated type
|
YXCG-103
|
Isolated magnetic contact pressure gauge
|
0~0. 16至60及-0.1~0.06至2.4系列
|
1.6
|
1.6
|
4
|
M42×2
(*G1?″) |
|
Isolated corrosion-resistant type
|
*YXCG-103-F
|
||||||
|
Isolated anti vibration type
|
YXCG-103-Z
|
0~0. 6至60及-0.1~0.5至2.4系列
|
1.6
|
1.6
|
5
|
||
|
Isolated type
Corrosion resistant and vibration resistant type |
*YXCG-103-FZ
|
||||||
Note: 1. models marked "*" are limited to special orders
2. isolated soft tail lengths of 1, 2, 3 and 4m (of which 2m is preferred length)
)
|
Contact power
|
Maximum operating voltage
|
Maximum operating current
|
Control form
|
|
30VA(阻性負載)
|
220V DC或380V AC
|
1A
|
Upper and lower bounds, double upper bound, double lower bound
|
◆使用環(huán)境條件
|
type
|
Operating temperature range
|
relative humidity
|
Anti vibration performance
|
|
|
medium
|
surrounding environment
|
|||
|
Ordinary type, special type
|
-40-70℃
|
不大于85%
|
V.H.3級
|
|
|
Corrosion-resistant type
|
-25-55℃
|
不大于90%
|
V.H.3級
|
|
|
Vibration resistant, corrosion resistant and vibration resistant
|
V.H.4級
|
|||
|
Isolated type
|
150℃以下
|
-40-70℃
|
V.H.3級
|
|
|
Isolated corrosion-resistant type
|
-40-70℃
|
|||
|
Isolated, other type
|
150℃以下
|
-25-55℃
|
V.H.4級
|
|
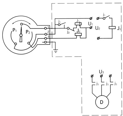
The working principle of the instrument is the spring pipe in the measuring system under the action of the pressure of the measured medium based on the force generated by the end of spring pipe corresponding elastic deformation displacement, the transmission rod through a gear drive mechanism with and zoom, indicating pointer is fixed on the axle of the gear (along with contact) by the measured value indicated in the table. At the same time, when the contact and set on the pointer (upper or lower) contact (break or close) instantaneous, resulting in the circuit control system can be switched on or off in order to achieve the purpose of automatic control and alarm.
The customer needs to provide the dial diameter, measuring range, interface thread size and material of the magnetic assistance contact pressure gauge.
For example: select dial 150mm, range: 0~2.5MPa, M20 * 1.5 interface thread, ordinary material, then type is: YXC-150.
Recommend
Online Message
- Theme:
- Name:
- Tel:
- QQ:
- Email:
- Message:


